대기오염물질인 NOx를 제거하기 위한 기술로 암모니아수나 요소수로부터 만든 암모니아 가스를 이용하거나 오존을 이용할 수 있다.
굴뚝에서 나오는 NOx가 물에 녹지 않는 상태로 굴뚝을 통해서 배출이 되며, 이 NOx가 공기중에서 광화학 반응을 통해 미세먼지가 된다. 미세먼지는 폐의 허파꽈리로 직접 침투하여 인체에 위험하고 중금속도 포함하고 있어서 사회적으로 많은 문제가 되고 있다.
NOx를 제거하기 위한 전통적 방식인 SCR은 효율이 70~90%이며 단점으로는 투자비용이 크고 예열이 필요하며 수명이 짧고 암모니아가 누출될 수 있으며, 설비 부식문제가 있다.
반면 산화제로 오존을 이용할 경우 NOx에 대한 강한 산화특성이 있고 반응이 빠르며 제거효율이 높다. 단점으로는 설비 투자비가 높고 에너지 소모량이 많으며, 대형 배가스 처리 설비에는 적용하기 어렵다.
아래와 같은 오존 발생기는 O2를 전기에너지를 통해 O3로 전환을 한다.


O3 gas generator는 매우 compact하고, 사용조건에 따라 고농도 오존발생이 가능하며, Clean 오존가스 생성을 위해 고순도 세라믹 전극을 사용하여 Particle 또는 Metal Contamination을 극한까지 억제할 수 있다.

Flue gas treatment with ozone oxidation
O3 산화를 통해 NOx를 효율적, 경제적으로 제거한다. NO가 O3와 산화반응을 하여 N2O5가 생성되며, 이는 수용성이라서 후단의 scrubber에서 제거할 수 있다. 아울러 NO가 오존과 산화 반응을 하여 NO2와 O2가 되며, 이는 환원공정을 통해 N2로 전환이 되어 대기 배출된다. stack에서의 NOx 배출량을 기준으로 오존 주입량을 cascade제어를 할 수 있다.

Simultaneous removal of gaseous NOx and SO2 by gas-phase oxidation with ozone and wet scrubbing with sodium hydroxide
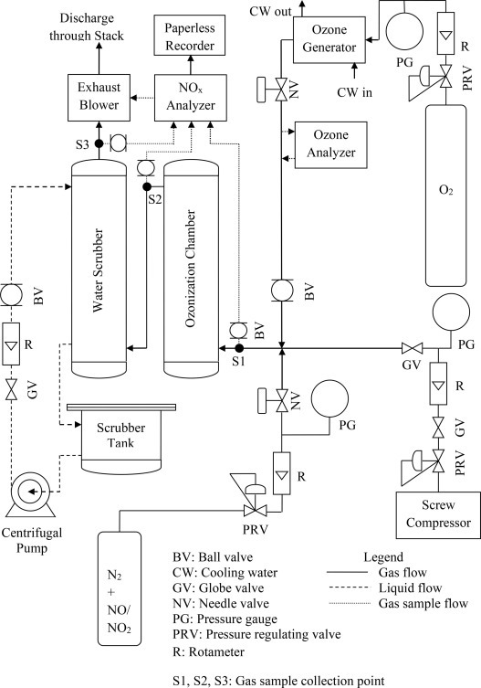
아래는 실험단계에서 setting된 configuration이다.

Schematic sketch of experimental setup
아래는 암모니아를 사용한 typical SCR system이다.
'기계장치설계' 카테고리의 다른 글
| Column Set-up & Column Internals (0) | 2025.01.09 |
|---|---|
| Thin Film Evaporator (TFE) Vs. Falling Film Evaporator (FFE) (0) | 2025.01.08 |
| Gear pump 이해 (0) | 2025.01.07 |
| Mist eliminator design 이해 (0) | 2025.01.04 |
| compressor surge & stonewall (choke) 이해 (0) | 2025.01.03 |

