SMALL
가스 상태의 질소를 액화하는 공정에 대한 간략한 simulation을 통해 에너지 사용량을 확인하였다. 질소의 critical condition 및 phase diagram은 아래와 같다.
|
−146.9 °C (126.2 K)
|
33.5 atm (3,390 kPa)
|
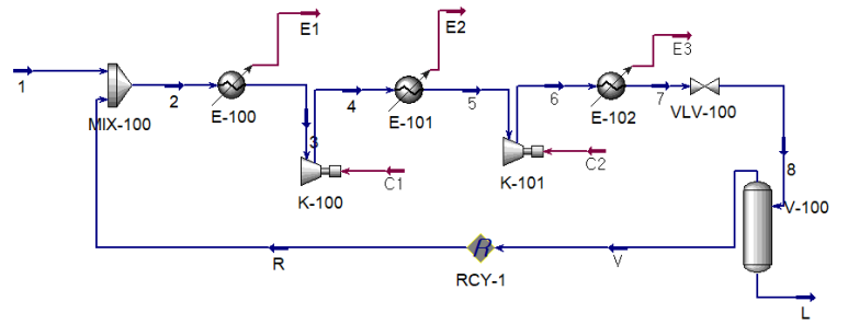
아래와 같은 process flow sheet를 define하여 running한 결과,

질소 253kg/h를 circulation하면서 feed인 100kg/h와 mixing후 가압과 냉각을 거치면서,

valve에서 팽창에 의해 온도가 급격히 떨어져 -195.9C가 되어 two phase가 된 후 separator에서 기액 분리가 일어나며 가스는 다시 recycle되고 액체는 액화질소 형태로 얻게 된다.

728x90
'공정설계' 카테고리의 다른 글
| 암모니아 생산 공정 (Haber-Bosch Process) (0) | 2026.01.23 |
|---|---|
| Syphon (Siphon) 현상 이해 (0) | 2025.10.31 |
| MarTECH™ ADL (advanced dual loop) technology 공정 이해 (0) | 2025.05.30 |
| FCC (Fluidized Catalytic Cracking) 기술 비교 (0) | 2025.05.06 |
| Polyol 이해 (0) | 2025.04.29 |
