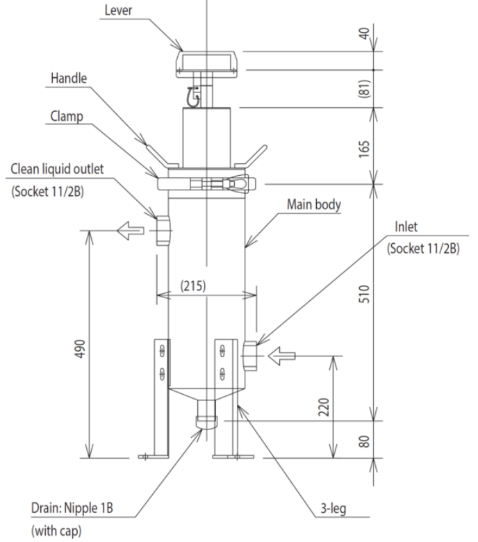
유체내 iron, steel등 금속 입자들을 제거하는데 적합한 device가 magnetic filter이다. filter medium이 자석임에 따라 유지관리시 element를 교체할 필요가 없고, cartridge나 paper filter등 산업 폐기물 발생이 없어서 환경적으로 적합한 type이며, housing내에서 강력한 자기장을 만들어 chip이나 sludge들을 capturing한다.
이 필터는 기존 배관에 설치 가능하며 추가적인 power를 요구하지 않고 설치하거나 운전하는데 많은 시간이 필요없다.

magnetic filter는 액체나 slurry상태의 유체로부터 iron particle을 제거하는데 적합한 필터로서 high-intensity filter magnet에 의해 형성된 자기장 주변으로 feed가 도입되어 ferrous particle들이 magnetic trap에 capturing된다. 포화된 필터는 제거 및 captured particle은 필터로부터 washing된 후 필터는 재사용하게 된다. 종류로는 magnetic plug, flow-through, rod magnetic type이 있다.
모아진 오염물들은 단일 물질로서 쉽게 recycle되어 매립이 필요없고 filtering된 유체는 본래의 물리화학적 성질을 유지할 수 있다. 한 번 설치를 하면 filter 수명동안 추가적인 처리 비용 발생은 거의 없다.
유지관리 측면에서도 단순히 manual cleaning을 하거나 self cleaning을 적용하여 운전비용을 최소화할 수 있다.
유체가 flter media를 통해 흐르지 않으므로 흐름에 방해요인이 되지 않아 막힐 염려가 없다. 설령 magnetic filter가 오염물로 포화되더라도 filtering효율에 문제가 될 뿐 bursting되거나 과도한 pressure drop발생은 없다.
magnetic filter는 운전 원리상 심지어 1마이크론보다 작은 입자도 제거가 가능하여 주로 slurry나 lubricant, 제약공정에 사용되며 pump 보호를 위해 사용될 수 있다. 즉, ferrous가 issue가 되는 어떠한 공정에서도 사용이 가능하다.
magnetic rod나 core주변 자기장이 형성된 공간에 유체가 흐를 경우 유체내 철분 입자들은 magnet에 이끌려 유체로부터 제거가 된다.
특히 금속가공하는 grinding, rolling, milling 등의 공정에서의 cutting oil이나 grinding oil내 철분 가루를 제거하는데 많이 적용한다.

paper filter 혹은 cartridge filter라고 하는 barrier filter의 경우 pore size보다 작은 입자는 filtering이 되지 않고 그냥 빠져 나가며 입자가 큰 경우 포화되면 element는 제거되어 처리해야 하며 만약 운전중 교체시점을 놓치면 지나친 차압이 생성되어 bursting까지 일어날 수 있다.
반면 magnetic filter는 매우 작은 금속 입자들까지 제거가 가능하여 clean fluid는 흐름에 방해를 받지 않고 흐를 수 있고 magnet에 포화된 입자들은 recycle이 가능하며 환경적 처리가 필요없고 운전중 pressure build-up이 없어서 유체흐름상 에너지 손실이 발생되지 않는다.

영구자석으로 주로 Al, Ni, Co, ceramic로부터 만들어진 자석을 이용하며 flux density가 가장 높아 금속입자를 가장 잘 제거할 수 있는 neodymium magnet을 많이 이용한다. 단점으로는 magnet 재질이 부식에 취약하여 coating으로 보호하거나 내식성 재질이어야 한다. 아울러 neodymium magnet은 최대 사용온도가 80도이므로 연속운전에서는 온도가 60도 이내로 유지해야 한다.
magnetic filter는 cleaning이 필요할 경우에만 maintenance를 수행하며 그외에는 maintenance가 필요없고, cleaning마저 자동적으로 할 경우 spare part정도만 필요하다.
magnetic filter는 유체내 ferritic particle이 존재할 경우 적용될 수 있으며, 특히 steel의 machining과 같은 공정에 유용하여 washing이나 cleaning시에 이러한 ferritic particle이 washing fluid에 축적이 되어 magnetic filter를 이용하여 이들을 제거할 수 있다.
magnetic filter를 도입하여 유체내 존재하는 rust같은 미세한 철 입자들을 제거하여 기계들의 운전에 마모나 trouble을 없앨 수 있다. 제거된 미세입자들은 제조공정으로 recycle될 수 있고 아울러 폐수처리비용을 줄일 수 있어서 경제적으로도 유리하다.

액체로부터 금속입자를 강력하게 제거하기 위해 magnetic filter에는 주로 Neodymium magnet을 사용한다. megnet이 손상을 입거나 망가지지 않았다면 거의 영구적으로 사용이 가능하다.
정밀기계내에서 사용되는 oil내 iron particle들이 존재할 경우 seal이나 베어링 등에 중대한 영향을 미칠 수 있어서 filter를 통해 제거를 해야 하지만 cartridge filter와 같은 conventional filter를 적용시 element에 대한 disposal비용이나 운전중 차압이 증가하여 에너지비용이 커질 수 있다. 하지만 이 경우 magnetic filter를 적용하여 처리비용이나 에너지비용의 증가를 피할 수 있다.

Magnetic filter showing pattern
of flux distribution and the collected dirt.
입자들은 강력한 자기장이 형성되면 유체로부터 분리가 되어 이러한 힘은 flux density, spacing, magnet의 alignment에 의해 결정된다. flux density는 gauss단위를 사용하며 대략 28,000 gauss의 높은 자기장에서 운전이 될 수 있다.
flow chamber의 크기나 설계, magnetic loading zone의 전체 표면적, oil의 flow path와 체류시간이 매우 중요한 설계요소로서 이들은 분리효율, 분리될 입자의 크기, filter에 의해 제거되는 입자의 capacity에 영향을 준다.
입자에 작용하는 자기력은 입자의 부피에 비례하지만, 입자의 직경에는 반비례한다. 예를 들어 자기력은 입자 직경의 3승에 따라 변하므로, 2마이크론 입자는 1마이크론 입자에 비해 자기력이 8배 이상 더 세게 작용한다. 이는 크기가 큰 강자성체 입자는 작은 입자에 비해 유체로부터 분리하는데 더 용이하다는 의미이다.
iron particle은 가장 인력이 강하지만 rust나 SS같은 입자들은 자기장에 끌리는 힘이 약하다. 역으로 니켈, 코발트, 일부 세라믹과 같은 비철 성분들은 강한 인력이 있으며, 알루미늄과 같이 magnet에 pick up되지 않은 물질은 paramagnetic (상자성체) 물질이라고 한다.

magnetic filter를 적용하는 장점으로는 conventional filter보다 filter를 통한 처리비용이 작고 운전중 filtering에 따른 차압이 낮으며 conventional filter랑 함께 사용하게 되면 conventional filter의 수명을 늘릴 수 있고, 입자들에 의해 운전에 영향을 받을 수 있는 민감한 valve들의 운전 신뢰도를 높일 수 있다. 그리고 iron particle들은 촉매 특성에 따라 오일의 산화를 촉진시켜 오일의 성능을 저하함에 따라 magnetic filter를 적용하므로서 오일 수명을 증가하고 오일 소모를 줄일 수 있다. 아울러 친환경적이고 경제적이며 유체로부터 ferrous particle을 제거하는데 가장 효율적인 방법이다.
반면 단점으로는 자석으로부터 탈착된 입자들이 뭉쳐서 후단으로 washing이 되어 민감한 계기나 베어링과 같은 기계장치로 유입될 수 있으며, 일정 시간이 지나면 plugging때문에 disposal해야 하는 conventional filter와 달리 재사용이 가능하지만 cleaning을 해야 한다. cleaning시 air hose를 사용하므로 안전에 유의해야 한다.
이러한 장단점을 인식하여 어떠한 곳에 magnetic filter를 적용할 것인지 case by case로 면밀히 검토하여 최적의 filter system을 고려해야 한다.
#magnetic#철분입자#ferrous#cartridge#filter#flux_density#Neodymium#gauss#강자성체#paramagnetic#상자성세
'기계장치설계' 카테고리의 다른 글
| Cause and Effect of Pump Cavitation (0) | 2024.12.21 |
|---|---|
| Affinity law 이해 (2) | 2024.12.19 |
| Pump Priming 이해 (0) | 2024.12.16 |
| VRU (Vapor Recovery Unit) 소개 (0) | 2024.12.16 |
| venturi scrubber sizing 자료 (1) | 2024.12.15 |